電磁閥系列
- 銅電磁閥
- 蒸汽電磁閥
- 煤氣電磁閥
- 水用電磁閥
- 高溫電磁閥
- 不銹鋼電磁閥
- 全不銹鋼電磁閥
- 雙頭自保持電磁閥
- 常開式電磁緊急切斷閥
- 防爆電磁閥
- 新增電磁閥
液位計系列
- 磁翻柱液位計
- 鍋爐平板水位計
- 鍋爐雙色水位計
- 玻璃管液位計
- 玻璃板液位計
- 浮球液位控制儀
- 防霜液位計
- 磁性浮球液位變送器
電動執行器
電動閥門系列
電話:0577-67378705,0577-67378706
傳真:0577-67378707
官網:www.prqtnjt.cn
地址:浙江省溫州市甌北鎮東甌工業區
和二工業園
E-mail:sungo@sungofluid.com
D971W系列通風電動蝶閥

D941W電動通風蝶閥采用與閥體相同材料加工成密封圈,采用電或氣動傳動。其適用溫度隨閥體選材而定,公稱壓力≤0.6MPa,一般適用于工業、冶金、環保等管道作通風調節介質流量之用。
其主要特點為:
1、設計新穎、合理、結構,重量輕,啟閉迅速。
2、操力矩小,操作方便,省力靈巧。
3、采用適應的材料以滿足低、中、高不同介質溫度其及腐蝕性介質等。
采用標準
設計標準:GB/T12238-1989 JB/T8692-1998
法蘭連接尺寸:GB/T9115.1-2000
結構長度 h:GB/T12221-1989
壓力試驗:GB/T13927-1992;JB/T9092-1999 主要技術參數
|
公稱通徑 |
DN(mm) |
50~2000 |
||
|
公稱壓力 |
PN(MPa) |
0.05 |
0.25 |
0.6 |
|
試驗壓力 |
強度試驗 |
0.075 |
0.375 |
0.9 |
|
密封試驗 |
≤1.5%泄漏量 |
|||
|
適用介質 |
煤氣、含塵氣體、煙道氣等。 |
|||
|
適用溫度 |
氣傳動、電傳動。 |
|||
主要零件的材質
|
零件名稱 |
材料 |
|
閥體 |
鑄鋼、不銹鋼、鉻鎳鉬鈦鋼、鉻鉬鈦鋼等特殊材料 |
|
蝶板 |
鑄鋼、不銹鋼、鉻鎳鉬鈦鋼、鉻鉬鈦鋼等特殊材料 |
|
密封圈 |
與閥體相同 |
|
閥桿 |
碳鋼、2Cr13、不銹鋼、鉻鎳鉬鈦鋼 |
|
填料 |
氟塑料、柔性石墨 |
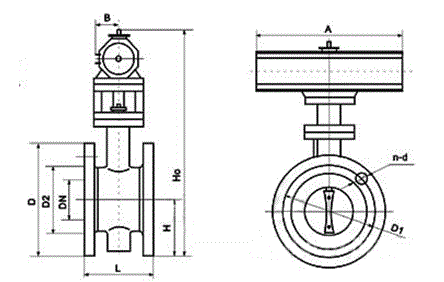
外形尺寸
|
|
公稱通徑 |
結構長度 (標準值) |
外形尺寸 (參考值) |
連接尺寸 (標準值) |
重量(kg) |
|||||||||
|
0.05MPa和0.25MPa |
0.6MPa |
||||||||||||
|
毫米 |
英寸 |
L |
H |
H0 |
A |
B |
D |
D1 |
n-d |
D |
D1 |
n-d |
|
|
50 |
2 |
108 |
70 |
337 |
180 |
65 |
140 |
110 |
4-14 |
140 |
110 |
4-14 |
16 |
|
65 |
21/2 |
112 |
80 |
357 |
180 |
65 |
160 |
130 |
4-14 |
160 |
130 |
4-14 |
17 |
|
80 |
3 |
114 |
95 |
385 |
180 |
65 |
190 |
150 |
4-18 |
190 |
150 |
4-18 |
19 |
|
100 |
4 |
127 |
105 |
405 |
180 |
65 |
210 |
170 |
4-18 |
210 |
170 |
4-18 |
22 |
|
125 |
5 |
140 |
120 |
483 |
245 |
72 |
240 |
200 |
8-18 |
240 |
200 |
8-18 |
27 |
|
150 |
6 |
140 |
132 |
508 |
245 |
72 |
265 |
225 |
8-18 |
265 |
225 |
8-18 |
31 |
|
200 |
8 |
152 |
160 |
566 |
245 |
72 |
320 |
280 |
8-18 |
320 |
280 |
8-18 |
47 |
|
250 |
10 |
165 |
187 |
623 |
245 |
72 |
375 |
335 |
12-18 |
375 |
335 |
12-18 |
68 |
|
300 |
12 |
178 |
220 |
750 |
355 |
93 |
440 |
395 |
12-22 |
440 |
395 |
12-22 |
79 |
|
350 |
14 |
190 |
245 |
803 |
355 |
93 |
490 |
445 |
12-22 |
490 |
445 |
12-22 |
130 |
|
400 |
16 |
216 |
270 |
852 |
355 |
93 |
540 |
495 |
16-22 |
540 |
495 |
16-22 |
141 |
|
450 |
18 |
222 |
297 |
907 |
355 |
93 |
595 |
550 |
16-22 |
595 |
550 |
16-22 |
190 |
|
500 |
20 |
229 |
322 |
960 |
355 |
93 |
645 |
600 |
20-22 |
645 |
600 |
20-22 |
225 |
|
600 |
24 |
267 |
377 |
1080 |
550 |
350 |
755 |
705 |
20-26 |
755 |
705 |
20-26 |
245 |
|
700 |
28 |
292 |
430 |
1185 |
550 |
350 |
860 |
810 |
24-26 |
860 |
810 |
24-26 |
320 |
|
800 |
32 |
318 |
487 |
1300 |
550 |
350 |
975 |
920 |
24-30 |
975 |
920 |
24-30 |
405 |
|
900 |
36 |
330 |
537 |
1400 |
550 |
350 |
1075 |
1020 |
24-30 |
1075 |
1020 |
24-30 |
500 |
|
1000 |
40 |
410 |
587 |
1500 |
550 |
350 |
1175 |
1120 |
28-30 |
1175 |
1120 |
28-30 |
700 |
|
1200 |
48 |
470 |
702 |
1825 |
600 |
350 |
1375 |
1320 |
32-30 |
1405 |
1340 |
32-33 |
750 |


