本閥是先導直動型的電磁閥,其通用介質范圍較廣,可分別使用于水、輕油、重油、非腐蝕性氣體及蒸汽等流體,如電站抽氣管道疏水系統和蒸發器的排氣系統中,主要是對管道中的介質進行雙位自動調節和遠程控制。也可用于電鍍行業。

| 介質溫度℃ | ZC ZG | ≤250 | |||||||||
| ZC ZH | ≤400 | ||||||||||
| 公稱壓力 (MPa) | ZC ZG | 205 | |||||||||
| ZC ZH | 4.0 | ||||||||||
工作壓差 (MPa) | ZC ZG | 0~2.5 | |||||||||
| ZC ZH | 0~4.0 | ||||||||||
| 公稱通徑 | 10 | 15 | 20 | 25 | 32 | 40 | 50 | 65 | 80 | 100 | |
| 功耗(VA) | 170 | 480 | |||||||||
| 電源電壓 | AC220V其余規格可作特殊訂貨 | ||||||||||
| 額定流量系數 | 按JB/T7352-94規定 | ||||||||||
泄漏量 (ml/min) | 按JB/T7352-94·規定 | ||||||||||
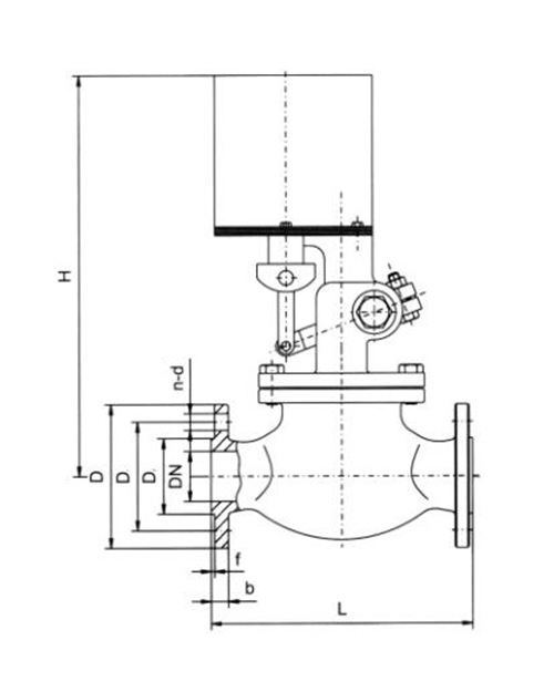
| DN | L | H | D | D1 | D2 | D3 | B | F1 | F | N-D |
| 10 | 160 | 298 | 90 | 60 | 41 | 34 | 14 | 4 | 2 | 4-?14 |
| 15 | 160 | 298 | 95 | 65 | 45 | 39 | 14 | 4 | 2 | 4-?14 |
| 20 | 200 | 304 | 105 | 75 | 55 | 50 | 16 | 4 | 2 | 4-?14 |
| 25 | 200 | 304 | 115 | 85 | 65 | 57 | 16 | 4 | 2 | 4-?14 |
| 32 | 200 | 314 | 140 | 100 | 78 | 65 | 18 | 4 | 2 | 4-?14 |
| 40 | 260 | 460 | 150 | 110 | 85 | 75 | 18 | 4 | 3 | 4-?18 |
| 50 | 300 | 460 | 165 | 125 | 100 | 87 | 20 | 4 | 3 | 4-?18 |
| 65 | 290 | 433 | 180 | 145 | 120 | 109 | 22 | 4 | 3 | 8-?18 |
| 80 | 310 | 433 | 200 | 160 | 135 | 120 | 22 | 4 | 3 | 8-?18 |
| 100 | 350 | 461 | 235 | 190 | 160 | 149 | 24 | 4.5 | 3 | 8-?22 |
浙公網安備 33032402001116號 網站地圖
13968958698
0577-67378705 / 67378706
浙江省溫州市甌北鎮東甌工業區和二園區大道926號